※ 専用部品 「GHS-2」「GHS-3」の部品頒布(供給元/下代組機工)は終了しています。
■「GHS時計」の製作■
「GHS時計」専用LSI(GHS−2)を使って、星食のビデオ観測用に使いやすい構成例と報時ラジオ的な構成例を紹介いたします。
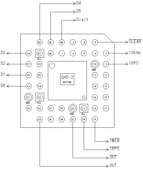
「GHS時計」専用LSI(GHS-2)の概観
Bottom View
「GHS時計」専用LSI(GHS-2)の仕様
| 端子No. | 端子名称 | 略 号 | 入/出力 | 機 能 |
| 6 | クリア | !CLEAR | 入 力 | [L]で秒パルスのカウントをクリアします |
| 7 | 10kHzパルス | 10kHz | 入 力 | GPS(ジュピター)からの10kHz入力用 |
| 9 | 1秒パルス | 1PPS | 入 力 | GPS(ジュピター)からの1PPS入力用 |
| 18 | 1分パルス | !1MIN | 出 力 | 分予備信号期間中[L]を出力します |
| 20 | 1秒パルス | !1PPS | 出 力 | 1PPSの反転信号出力用です |
| 22 | JJY負出力 | !OUT | 出 力 | 疑似JJY信号を[L]で出力します |
| 28 | JJY正出力 | OUT | 出 力 | 疑似JJY信号を[H]で出力します |
| 10,23,31 | グランド | GND | −−− | GND |
| 21,32,41 | 電 源 | Vcc | −−− | +5V |
| 33 | D0 | D0 | 出 力 | 秒の値のバイナリ出力(1) |
| 35 | D1 | D1 | 出 力 | 秒の値のバイナリ出力(2) |
| 37 | D2 | D2 | 出 力 | 秒の値のバイナリ出力(4) |
| 39 | D3 | D3 | 出 力 | 秒の値のバイナリ出力(8) |
| 40 | D4 | D4 | 出 力 | 秒の値のバイナリ出力(16) |
| 42 | D5 | D5 | 出 力 | 秒の値のバイナリ出力(32) |
| 44 | Digit | Digit | 出 力 | 桁切替信号(LEDのダイナミック表示用) |

■表示用IC「GHS−3」■
「GHS時計」専用LSI(GHS-2)に、表示用IC「GHS−3」を追加すると、秒針を7セグメントLEDで表示することが出来ます。
「GHS−3」の仕様と応用
「GHS時計」回路構成例(GIF:36k)
製作に必要なコストの大半はGPS受信機「ジュピター」であり、全体でも短波ラジオ程度の低コストで製作されます。
心臓部となる「専用LSI(GHS-2),(GHS-3)」と「ジュピター」は以下から入手して下さい。
専用LSIには、P板用のICソケット(PLCC44ピン)が添付されます。
「GHS時計」は汎用性が高く、星食観測以外の用途にも広く利用可能ですので、お好みにより使いやすいデザインに挑戦してみて下さい。
■ 「GHS時計」専用LSI(GHS-2),表示用IC(GHS-3)
下代組機工 下代博之 〒641-0005 和歌山市田尻520-25
FAX:0734-94-0959 E-mail:geshiro@skyblue.ocn.ne.jp
※ 専用部品 「GHS-2」「GHS-3」の部品頒布(供給元/下代組機工)は終了しています。
■ GPS受信機「ジュピター」
(株)SPA 〒141-0032 東京都品川区大崎3-6-31,501
TEL:03-5759-2570 FAX:03-5759-2577
![]() | ![]() |
| GHS時計の制作例 | LSI周辺の拡大 |
|---|
■星食のビデオ観測への応用■
星食の観測においては、ビデオによる星食の撮影の際に、発光ダイオード(回路図中のLED3)を明視野または暗視野照明として使用するか、
音声信号(Line Out)をビデオの音声入力端子に接続して使用します。音声信号を利用する場合の利点は、
観測現場での配線が簡素化されることと、撮影される映像に悪影響の無いことがあげられます。
しかし、時刻の精密な測定は家庭用のビデオデッキでは困難です。
その場合は、ビデオテープをせんだい宇宙館まで送付下さい。
LEDの点滅を利用する場合は、観測機器の構成がやや複雑になりますが、
家庭用のビデオデッキでもコマ送りにより時刻の精密な測定が可能となります。
■「GHS時計」のセッティングの手順について■
1.まず、おおよそ0.2秒以内の精度で合っている時計を準備します。これは、
NTTの時報でも、観測前に手動で合わせた腕時計でも構いません。
2.「GHS時計」にアンテナと電源を接続します。アンテナはなるべく空の開
けたところに設置しましょう。ジュピターは衛星からの受信がなくても秒信号を
発しますので、電源投入の直後は、UTCと同期していません。もし、手順1.
で用意した時計と同期しているように見えたら、たまたま合っているように見え
るだけの心配が有りますので、電源を再投入して、眼や耳で確実にずれが分かる
ようにします。
3.GPS受信機が衛星からの電波を受信してUTCと同期すると、その瞬間か
ら秒信号のタイミングがかわり、手順1.で用意した時計と一致した点滅に変り
ます。これで、UTCと同期したことが判断できます。通常は少々の曇天でも電
源投入後10分もすれば同期します。
4.最後に正分の秒針を押しボタンスイッチにて「GHS時計」に教示します。
以上で原子時計並みに高精度の時刻が得られます。
* 「GHS時計」は、和歌山県金屋町生石高原天文台の下代博之(G),せんだい宇宙館の早水勉(H),国立天文台の相馬充(S)
の三氏により考案・開発されました。
* このシステムは、日本天文学会2000年春季年会(2000.4月)にて発表されました。
